• 茄子影视污成人,茄子看片又污又黄,茄子操逼视频,黄色茄子视频在线观看

    

    丹佛斯FC302系列变频器全型号选型指南

    时间:2025-03-04    作者:茄子影视污成人变频    点击:
    丹佛斯 FC302 系列变频器是丹佛斯推出的经典通用型变频器,功率范围覆盖全功率 0.25KW - 1400kW,能够提供 0 和 1000Hz 之间的可变输出频率,以满足不同设备对速度控制的要求。

    1、标准内置EN61800-3标准的C3级滤波器,另可提供内置的C1/C2级滤波器。
    2、内置直流电抗器,有效降低电源的谐波干扰,符合IEC-1000-3-2国际标准。设计紧凑、无需外部选件。
    3、支持各种通讯总线:包括- Modbus RTU (标准内置)- Profibus-DeviceNet- EtherNet/lP-Profinet-CANopen-Modbus TCP/IP
    4、变频器外壳封装符合保护等级IP20另有IP00,IP21,IP54,IP55和IP66多种封装等级可选。
    5、变频器能在高达50℃的环境温度下达到最大的输出,在最大55℃的环境温度下仍可降容运行。

    丹佛斯FC302变频器的功率范围和型号如下:


    丹佛斯FC302变频器各型号尺寸如下:


    可以根据不同的功率和选件来选型,如:
    FC302P3K0T5E20H1BXXXXXSXXXXAXBXCXXXXDX,其型号代码含义如下:



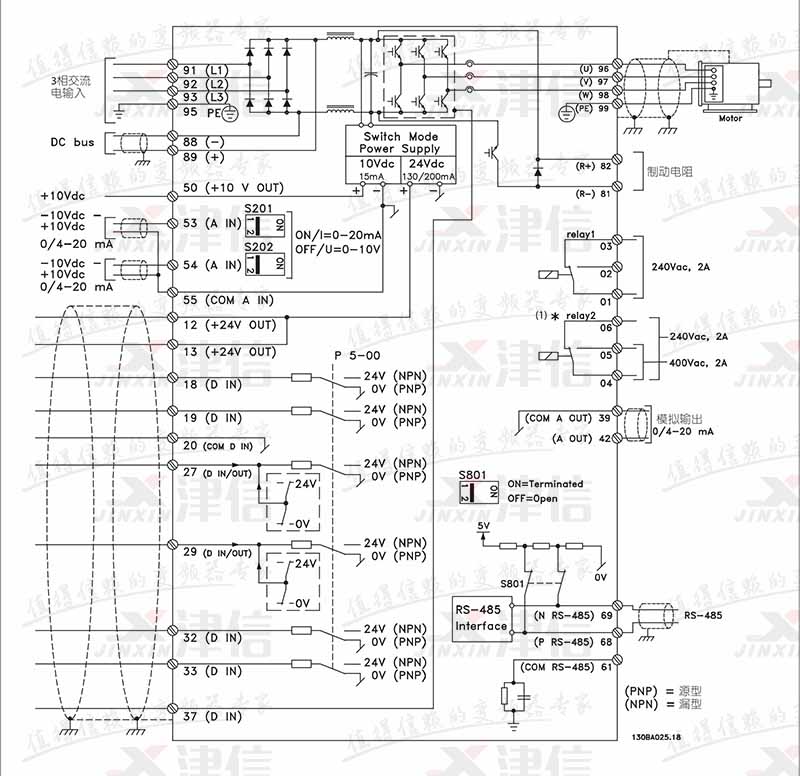
    丹佛斯FC302变频器的标准接线图如下:


     

    返回列表
     网站地图